
淄博市化工设备厂
联系人:张勇 13505330686
电 话:0533-2980884 2980885 2980579 2980709
传 真:0533-2980710
邮 编:255063
E-mail:zcep@iyfskq.cn
fucheq@zb-public.sd.cninfo.net
网 址://iyfskq.cn
厂 址:山东省淄博市张店区山泉路南首

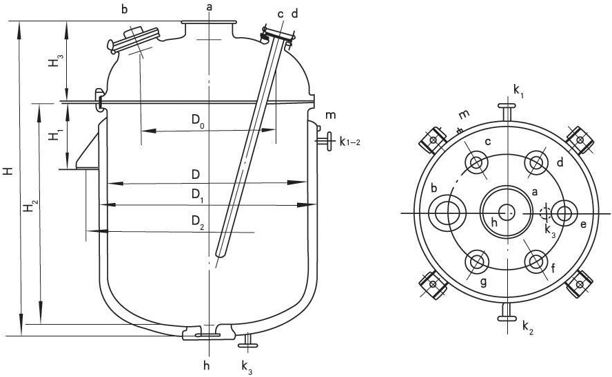
蒸馏灌外形尺寸及管口尺寸表
| 公称容积L | 实际容积L | 夹套换热面积 | 尺寸 | 管口尺寸 | 重量 | ||||||||||||||
| D | D0 | D1 | D2 | H | H1 | H2 | H3 | A | B | C | Dg | Ef | H | K1-3 | M | ||||
| K300 | 369 | 1.75 | 800 | 560 | 900 | 1048 | 1280 | 350 | 870 | 390 | 150 | 125 | 70 | 80 | 80 | 80 | 3-25 | 1/2” | 568 |
| K500 | 588 | 2.27 | 900 | 630 | 1000 | 1130 | 1504 | 400 | 1070 | 415 | 200 | 150 | 80 | 100 | 80 | 80 | 3-32 | 1/2” | 778 |
| K1000 | 1250 | 4.54 | 1200 | 840 | 1300 | 1488 | 1810 | 500 | 1270 | 510 | 300 | 200 | 80 | 100 | 80 | 100 | 3-32 | 1/2” | 1439 |
| K1500 | 1720 | 5 | 1300 | 910 | 1450 | 1622 | 2035 | 500 | 1470 | 535 | 300 | 200 | 80 | 100 | 80 | 100 | 3-40 | 1/2” | 1908 |
| K2000 | 2280 | 6.42 | 1600 | 1120 | 1750 | 1962 | 1988 | 600 | 1330 | 630 | 400 | 200 | 100 | 125 | 100 | 125 | 3-40 | 1/2” | 2510 |
| K3000 | 3380 | 8.67 | 1600 | 1120 | 1750 | 1962 | 2475 | 600 | 1810 | 630 | 400 | 200 | 100 | 125 | 100 | 125 | 3-40 | 1/2” | 3196 |
| 上一篇:搪玻璃卧式贮罐 | 下一篇: 搪玻璃套筒式换热器 |